COVER HALAMAN DEPAN
Media pembelajaran
Mata Kuliah Strategi Belajar Mengajar
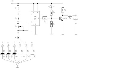
PEMBERI PULSA PADA RANGKAIAN DIGITAL Gambar 3: Rangkaiain Pemberi Pulsa menggunakan IC Timer 555 1. Cara kerjaIC 555 ini memang dirancang untuk pembangkit frekuensi yang dapat diatur hanya dengan memvariasikan nilai kapasitor dan resistornya. Variasi resistor diperoleh dengan mengatur kedudukan potensiometer, sedangkan variasi kapasitor dengan menggantikan dengan nilai lain yaitu dengan mengubah kedudukan dari selektor A Contoh : A dihubungkan dengan B berarti capasitor 100 mF akan menghasilkan range frekuensi tersendiri A dihubungkan dengan F berarti capasitor 10 mF akan menghasilkan range frekuensi tersendiri Rangkaian tersebut diatas sebenarnya menerapkan multimeter Astabil yang dibangun dari IC 555. Bentuk tegangan keluaran ditentukan oleh komponen-komponen R dan C Sinyal keluaran t : waktu berlangsungnya sat satu periode tL : waktu berlangsungnya saat sinyal “0” (Low) tH : waktu berlangsungnya saat sinyal “1” (High) Rumus perhitungan t = tL + tH tL = 0,693-RB.C tH = 0,693 (RA + RB).C Dalam gambar diatas RA adalah = R1 Dalam gambar diatas RB adalah = R2 + R3 Hitungan Andaikan dalam gambar diatas POT.(R3) maximum maka RA = 10 KW RB = 100 KW + 4K7 = 104,7 KW tL = 0,693.104,7.103.100.10-9 = 0,00725 dt tH = 0,693.10.103+104,7.103).100.10-9 = 0,693.114.103.102.10-9 = 0,0079 dt t = tL + tH = 0,00725 + 0,0079 = 0,01515 detik f = 1/ t Hz = 1/0,01515 Hz= 66Hz Potensiometer dalam keadaan minimum RA = R1 = 10 KW RB = R2 = 4k7 tL = 0,693.4,7.103.100.10-9 = 0,00032571 detik tH = 0,693. (4,7 + 10).103.100.10-9 = 0,00101871 detik t = tL + tH = 0,00032571 + 0,00101871 = 0,001344 detik f = 1/t Hz = 1/0,001344 = 744 Hz |

Tidak ada komentar:
Posting Komentar
monggo berkomentar